6688ÌåÓý

CW1242B ´øÎ¶ȱ£»£»£»£»¤µÄ4½Ú¶þ¼¶±£»£»£»£»¤Ð¾Æ¬

CW1242BÊÇÒ»¿î4´®¶þ¼¶±£»£»£»£»¤IC£¬£¬£¬£¬Ö§³Ö¹ý³ä¡¢¹ý·Å¡¢Î¶ȱ£»£»£»£»¤¡£¡£    


¹¦Ð§ÌØÕ÷    

? ¹ý³äµç±£»£»£»£»¤    

     ? ãÐÖµ¹æÄ£ 2.8V¡¢3.65V~3.95V¡¢4.175V~4.500V£¬£¬£¬£¬25mV²½½ø£¬£¬£¬£¬¡À25mV¾«¶È    

? ¹ý·Åµç±£»£»£»£»¤    

     ? ãÐÖµ¹æÄ£ 1.2V¡¢2.100V~3.000V£¬£¬£¬£¬100mV²½½ø£¬£¬£¬£¬¡À30mV¾«¶È    

? ζȼì²â¹¦Ð§    

     ? ³äµçÆéá«Î±£»£»£»£»¤£¬£¬£¬£¬±£»£»£»£»¤Î¶ÈÍⲿ¿ÉÉè    

     ? ·Åµç¸ßα£»£»£»£»¤£¬£¬£¬£¬±£»£»£»£»¤Î¶ÈÍⲿ¿ÉÉè    

? µÍ¹¦ºÄÉè¼Æ    

     ? ÊÂÇé״̬ 4¦ÌA (25¡ãC)    

     ? ÐÝÃß״̬ 2.5¦ÌA  (25¡ãC)    

? ·â×°ÐÎʽ£ºMSOP10    


Ó¦ÓÃÁìÓò    

? µç¶¯¹¤¾ß    

? µç¶¯×ÔÐгµ    

? ºó±¸µçÔ´    

? ï®Àë×Ó¼°ï®¾ÛºÏÎïµç³Ø°ü   


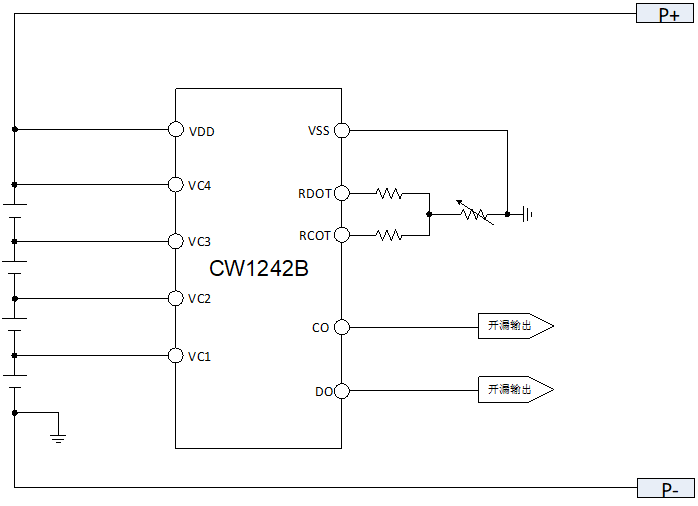
µä·¶Ó¦Óõç·    

CW1242B ´øÎ¶ȱ£»£»£»£»¤µÄ4½Ú¶þ¼¶±£»£»£»£»¤Ð¾Æ¬


¡¾ÍøÕ¾µØÍ¼¡¿¡¾sitemap¡¿